개요
프로젝트 기간
2025.08.14 ~ 2025.08.25
목적
- RV32I instruction Set 구현, 각 Type별 명령어 구동
- DataPath와 ControlUnit을 분리하여 FSM 기반의 타이밍 제어
개발 환경
- 사용 언어 : SystemVerilog, C
- Tool : Vivado, VCS, Verdi, draw.io
- editor : VS Code, Gvim
상세 설계
RISC-V Architecture (Single cycle / Multi cycle / Pipeline)

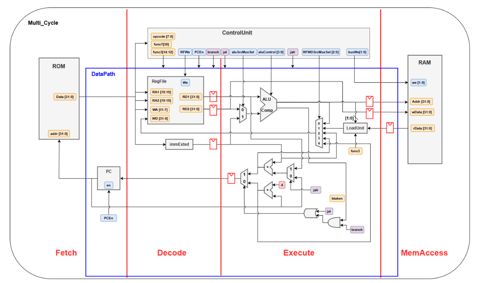
RV32I (Multi Cycle) Blockdiagram

RV32I (Multi Cycle) FSM

설계 결과
- PC, ROM, ALU, RegFile, RAM, LoadUnit, ControlUnit 등 핵심 모듈을 MCU에 통합.
- RV32I의 9가지 명령어 타입(R, I, S, L, B, LU, AU, J, JL)을 구현.
- Multi Cycle로 각 명령어를 여러 State로 나누어 동작함으로서 클럭 사이클 시간을 단축함.
시뮬레이션 및 검증
R-Type 검증 결과

L-Type 검증 결과

I-Type 검증 결과

S-Type 검증 결과

B-Type 검증 결과

LU / AU / J / JL-Type 검증 결과

머신 코드 검증
- 설계한 CPU test를 위해 간단한 C 코드를 작성. (1+2+...+n을 할때 n 이상이 되는 마지막 정수 찾기)
- Compiler Explorer를 통해 작성한 C 코드를 어셈블리어로 변환.
- RISC-V Online Assembler를 통해 어셈블리어를 머신코드로 바꿔 Vivado에 code.mem 파일로 넣어서 테스트 진행.
- 출력값 : output1 = Solve(50) = 10, output2 = Solve(100) = 14로 의도된 동작이 RAM에 잘 저장되는 것을 확인.
트러블슈팅
1. Load Byte 시 x value 발생
- 문제 상황 : LB 명령 실행 시 기대값 대신 x 값이 읽히는 현상 발생.
- 원인 분석 : LoadUnit 동작 이상 x, ROM 머신 코드에서 잘못된 주소 (rs1 + 0x0b)로 메모리 접근.
- 해결 방법 : ROM 명령어의 Load 주소 수정. (RAM에 값이 존재하는 rs0 + 0x08로 수정)
2. 머신 코드 동작 X
- 문제 상황 : 머신 코드 동작 x. (의도한 출력 값이 RAM에 저장되지 않음)
- 원인 분석 : 컴파일된 C코드가 얼마나 깊은 스택을 쓰는지에 따라 RAM의 크기가 충분히 커야 함.
따라서, 코드에서 쓸 최대 프레임 크기 + 함수 호출 깊이를 예측하여 그만큼 RAM의 크기를 넉넉히 잡아야 함. - 해결 방법 : 기존 RAM [0:15], SP = 0x40 -> RAM [0:31], SP = 0x80 으로 RAM의 크기 확장.
3. VCS Simulation Error
- 문제 상황 : Vivado에서는 돌아갔던 코드가 VCS 환경에서 컴파일 실패.
- 원인 분석 : 현재 코드에서는 mem[ ]을 always_ff, initial 두 블록에서 쓰고 있음.
Systemverilog 규칙에 의해 always_ff는 그 블록 안에서만 절차적 대입이 가능. (다중 procedural driver 위반) - 해결 방법 : always_ff 대신 더 유연한 always 문을 사용하여 단일 드라이버의 제약을 피함.
느낀점
- Load / Store 이해 : 어디서 시작할지(addr[1:0]) 얼마나 가져올지(func3)을 통해 원하는 데이터 조각을 얻을 수 있음.
- Block diagram의 중요성 : 그림이 코드의 길을 안내함. (모듈 경계 / Path / 레지스터 위치 명확화)
- 디버깅 방식 : 문제가 된 State를 찍고, 그 안에서 제어 신호, 데이터의 흐름을 확인.